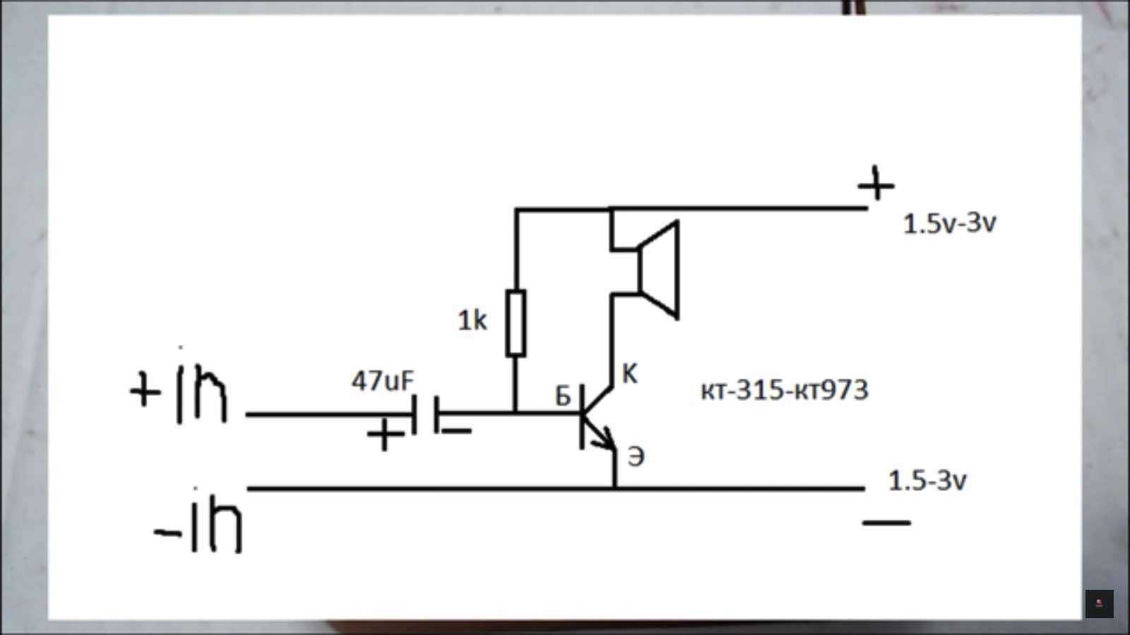
Усилитель на КТ315
Для создания усилителя, представленного на схеме, нужен один КТ315, один конденсатор (1 мкФ), один резистор и mini Jack.

На схеме видно, что отрицательное питание и один из двух ходов mini Jack надо припаять к эмиттеру (левая ножка).
Ко второму ходу mini Jack присоединяем “плюсом” конденсатор, а его “минус” припаиваем к базе. Дальше мы переходим к резистору. Одна его сторона должна быть прикреплена к первому колоночному проводу (другой ход колоночного провода — к коллектору), а второй — к отрицательному ходу конденсатора. К соединению провода от колонки и резистора добавляется плюсовой провод.
Теперь можно вставлять разъем в колонку и наслаждаться улучшенным и громким звуком.
Таблица 2 – Маркировка транзистора КТ315-1 кодовым знаком
| Тип транзистора | Маркировочная метка на срезе боковой поверхности корпуса |
Маркировочная метка на торце корпуса |
|---|---|---|
| KT315A1 | Треугольник зеленого цвета | Точка красного цвета |
| KT315Б1 | Треугольник зеленого цвета | Точка желтого цвета |
| KT315В1 | Треугольник зеленого цвета | Точка зеленого цвета |
| KT315Г1 | Треугольник зеленого цвета | Точка голубого цвета |
| KT315Д1 | Треугольник зеленого цвета | Точка синего цвета |
| KT315Е1 | Треугольник зеленого цвета | Точка белого цвета |
| KT315Ж1 | Треугольник зеленого цвета | Две точки красного цвета |
| KT315И1 | Треугольник зеленого цвета | Две точка желтого цвета |
| KT315Н1 | Треугольник зеленого цвета | Две точки зеленого цвета |
| KT315Р1 | Треугольник зеленого цвета | Две точки голубого цвета |
Указания по применению и эксплуатации транзисторов
Основное назначение транзисторов – работа в усилительных каскадах и других схемах радиоэлектронной аппаратуры. Допускается применение транзисторов, изготовленных в обычном климатическом исполнении в аппаратуре, предназначенной для эксплуатации во всех климатических условиях, при покрытии транзисторов непосредственно в аппаратуре лаками (в 3 – 4 слоя) типа УР-231 по ТУ 6-21-14 или ЭП-730 по ГОСТ 20824 с последующей сушкой. Допустимое значение статического потенциала 500 В. Минимально допустимое расстояние от корпуса до места лужения и пайки (по длине вывода) 1 мм для транзистора КТ315 и 2 мм для транзистора КТ315-1. Число допустимых перепаек выводов при проведении монтажных (сборочных) операций – одна.
Внешние воздействующие факторы
Механические воздействия по группе 2 таблица 1 в ГОСТ 11630, в том числе:
– синусоидальная вибрация;
– диапазон частот 1-2000 Гц;
– амплитуда ускорения 100 м/с 2 (10g);
– линейное ускорение 1000 м/с 2 (100g).
Климатические воздействия – по ГОСТ 11630, в том числе: повышенная рабочая температура среды 100 °С; пониженная рабочая температура среды минус 60 °С; изменение температуры среды от минус 60 до 100 °С. Для транзисторов КТ315-1 изменение температуры среды от минус 45 до 100 °С
Надежность транзисторов
Интенсивность отказов транзисторов в течение наработки более 3×10 -7 1/ч. Наработка транзисторов t н = 50000 часов. 98-процентный срок сохраняемости транзисторов 12 лет. Упаковка должна обеспечивать защиту транзисторов от зарядов статического электричества.
Зарубежные аналоги транзистора КТ315
Зарубежные аналоги транзистора КТ315 приведены в таблице 3.
Меры безопасности
Меры предосторожности при монтаже подобных устройств стандартные и обычно не вызывают вопросов у начинающих радиолюбителей. В техописании указывается на недопустимость давления на корпус при осуществлении изгибов металлических выводов
Пайка разрешена на расстоянии не ближе 5 мм от пластиковой упаковки. Температура припоя должна быть ниже +250 °C, с интервалом теплового воздействия на каждый контакт не превышающем 2 секунд.
Не стоит превышать предельно допустимые эксплуатационные параметры, указанные в техописании, при работе устройства. При длительной эксплуатации на максимальных значениях оно может выйти из строя.
Полевые SMD транзисторы
| Маркировка | Тип прибора | Маркировка | Тип прибора |
| 6A | MMBF4416 | C92 | SST4392 |
| 6B | MMBF5484 | C93 | SST4393 |
| 6C | MMBFU310 | H16 | SST4416 |
| 6D | MMBF5457 | I08 | SST108 |
| 6E | MMBF5460 | I09 | SST109 |
| 6F | MMBF4860 | I10 | SST110 |
| 6G | MMBF4393 | M4 | BSR56 |
| 6H | MMBF5486 | M5 | BSR57 |
| 6J | MMBF4391 | M6 | BSR58 |
| 6K | MMBF4932 | P01 | SST201 |
| 6L | MMBF5459 | P02 | SST202 |
| 6T | MMBFJ310 | P03 | SST203 |
| 6W | MMBFJ175 | P04 | SST204 |
| 6Y | MMBFJ177 | S14 | SST5114 |
| B08 | SST6908 | S15 | SST5115 |
| B09 | SST6909 | S16 | SST5116 |
| B10 | SST6910 | S70 | SST270 |
| C11 | SST111 | S71 | SST271 |
| C12 | SST112 | S74 | SST174 |
| C13 | SST113 | S75 | SST175 |
| C41 | SST4091 | S76 | SST176 |
| C42 | SST4092 | S77 | SST177 |
| C43 | SST4093 | TV | MMBF112 |
| C59 | SST4859 | Z08 | SST308 |
| C60 | SST4860 | Z09 | SST309 |
| C61 | SST4861 | Z10 | SST310 |
| C91 | SST4391 |

А это пример n-p-n и p-n-n биполярных транзисторов (sot-23, sot-323) с типовым расположением выводов:

Маркировка
По маркировке кт315 можно точно понять, что перед нами именно он, рассмотрим его в корпусе КТ13. Он имеет цифробуквенное обозначение и может отличается от своих собратьев цветом. Чаще всего встречается в оранжевом исполнении. В правом верхнем углу корпуса размещен знак завода-изготовителя, а в левом группа коэффициента усиления. Под условными обозначениями группы и предприятия-изготовителя указана дата выпуска. Вот их фотографии во всем цветовом разнообразии.
Устройства в таком исполнении до 1986 года имели золоченные контакты. После 1986 года количество содержания драгметаллов в них значительно снизилось. А в современных устройствах его практически нет. Усовершенствованный KT315 выпускается в корпусах для дырочного КТ-26 (TO-92) и поверхностного монтажа КТ-46А (SOT-23). На фотографии пример такого устройства — КТ315Г1 (TO-92).

Цифра «1», в конце указывает на современный КТ315(TO-92), а предпоследняя буква «Г» на группу, к которой относится транзистор из этой серии. На основе значений параметров в группе, можно определить его основное назначение. Например, КТ315Н1 использовался ранее в цветных телевизорах, а KT315P и КТ315Р1 применялись в видеомагнитофонах «Электроника ВМ».
Отечественные и зарубежные аналоги
Прямого аналога транзистора 13001 в номенклатуре отечественных кремниевых триодов нет, но при средних эксплуатационных режимах можно применять кремниевые полупроводниковые приборы структуры N-P-N из таблицы.
При режимах, близких к максимальным, надо внимательно выбирать аналоги так, чтобы параметры позволяли эксплуатировать транзистор в конкретной схеме. Также надо уточнять цоколевку приборов – она может не совпадать с расположением выводов 13001, это может привести к проблемам с установкой на плату (особенно, для исполнения SMD).
Из зарубежных аналогов для замены подойдут такие же высоковольтные, но более мощные кремниевые N-P-N транзисторы:
- (MJE)13002;
- (MJE)13003;
- (MJE)13005;
- (MJE)13007;
- (MJE)13009.
Они отличаются от 13001, большей частью, повышенным током коллектора и увеличенной мощностью, которую может рассеивать полупроводниковый прибор, но также может иметь место различие в корпусе и расположении выводов.
В каждом конкретном случае надо проверять цоколевку. Во многих случаях могут подойти транзисторы LB120, SI622 и т.п., но надо внимательно сравнить специфические характеристики.
Так, у LB120 напряжение коллектор-эмиттер составляет те же 400 вольт, но между базой и эмиттером больше 6 вольт подавать нельзя. Также у него несколько ниже максимальная рассеиваемая мощность – 0,8 Вт против 1 Вт у 13001. Это надо учитывать при принятии решения о замене одного полупроводникового прибора на другой. То же самое относится к более мощным высоковольтным отечественным кремниевым транзисторам структуры N-P-N:
Они заменяют приборы серии 13001 функционально, имеют большую мощность (а иногда и более высокое рабочее напряжение), но расположение выводов и габариты корпуса могут разниться.
Архив блога
-
►
2020
(2)
-
►
февраля
(1)
►
фев 09
(1)
-
►
января
(1)
►
янв 19
(1)
-
-
►
2019
(11)
-
►
июня
(1)
►
июн 29
(1)
-
►
апреля
(2)
►
апр 30
(1)
►
апр 26
(1)
-
►
февраля
(5)
►
фев 27
(1)
►
фев 24
(1)
►
фев 16
(1)
►
фев 12
(1)
►
фев 07
(1)
-
►
января
(3)
►
янв 27
(1)
►
янв 25
(1)
►
янв 15
(1)
-
-
►
2018
(35)
-
►
декабря
(1)
►
дек 01
(1)
-
►
ноября
(1)
►
ноя 18
(1)
-
►
октября
(4)
►
окт 24
(1)
►
окт 09
(1)
►
окт 06
(1)
►
окт 04
(1)
-
►
сентября
(4)
►
сен 18
(4)
-
►
июля
(6)
►
июл 31
(5)
►
июл 03
(1)
-
►
мая
(2)
►
мая 24
(1)
►
мая 17
(1)
-
►
апреля
(5)
►
апр 25
(1)
►
апр 22
(1)
►
апр 19
(1)
►
апр 01
(2)
-
►
марта
(5)
►
мар 29
(1)
►
мар 10
(1)
►
мар 06
(1)
►
мар 05
(2)
-
►
февраля
(2)
►
фев 25
(1)
►
фев 12
(1)
-
►
января
(5)
►
янв 27
(1)
►
янв 18
(1)
►
янв 17
(2)
►
янв 09
(1)
-
-
►
2017
(98)
-
►
декабря
(10)
►
дек 24
(2)
►
дек 06
(1)
►
дек 03
(2)
►
дек 02
(1)
►
дек 01
(4)
-
►
ноября
(35)
►
ноя 29
(1)
►
ноя 22
(1)
►
ноя 19
(2)
►
ноя 16
(20)
►
ноя 14
(9)
►
ноя 13
(2)
-
►
октября
(9)
►
окт 23
(1)
►
окт 21
(1)
►
окт 20
(1)
►
окт 17
(3)
►
окт 13
(2)
►
окт 08
(1)
-
►
сентября
(8)
►
сен 22
(1)
►
сен 18
(1)
►
сен 13
(2)
►
сен 12
(1)
►
сен 09
(1)
►
сен 04
(1)
►
сен 02
(1)
-
►
августа
(1)
►
авг 13
(1)
-
►
июля
(1)
►
июл 09
(1)
-
►
июня
(1)
►
июн 22
(1)
-
►
мая
(3)
►
мая 23
(1)
►
мая 22
(1)
►
мая 16
(1)
-
►
апреля
(3)
►
апр 09
(2)
►
апр 07
(1)
-
►
марта
(11)
►
мар 31
(1)
►
мар 25
(1)
►
мар 23
(1)
►
мар 18
(1)
►
мар 17
(2)
►
мар 14
(1)
►
мар 03
(1)
►
мар 02
(2)
►
мар 01
(1)
-
►
февраля
(6)
►
фев 28
(1)
►
фев 26
(1)
►
фев 24
(2)
►
фев 20
(1)
►
фев 02
(1)
-
►
января
(10)
►
янв 28
(3)
►
янв 24
(2)
►
янв 21
(1)
►
янв 19
(1)
►
янв 14
(1)
►
янв 13
(2)
-
-
►
2016
(184)
-
►
декабря
(8)
►
дек 24
(1)
►
дек 23
(1)
►
дек 22
(1)
►
дек 20
(1)
►
дек 15
(1)
►
дек 14
(1)
►
дек 13
(1)
►
дек 11
(1)
-
►
ноября
(24)
►
ноя 30
(1)
►
ноя 29
(3)
►
ноя 28
(1)
►
ноя 26
(3)
►
ноя 25
(1)
►
ноя 21
(2)
►
ноя 19
(2)
►
ноя 15
(1)
►
ноя 14
(3)
►
ноя 12
(2)
►
ноя 10
(1)
►
ноя 08
(1)
►
ноя 06
(2)
►
ноя 04
(1)
-
►
октября
(7)
►
окт 31
(1)
►
окт 24
(1)
►
окт 19
(2)
►
окт 11
(2)
►
окт 02
(1)
-
►
сентября
(23)
►
сен 24
(2)
►
сен 23
(1)
►
сен 22
(8)
►
сен 20
(2)
►
сен 16
(1)
►
сен 15
(1)
►
сен 12
(1)
►
сен 10
(2)
►
сен 03
(3)
►
сен 01
(2)
-
►
августа
(7)
►
авг 06
(4)
►
авг 03
(2)
►
авг 01
(1)
-
►
июля
(28)
►
июл 31
(2)
►
июл 30
(3)
►
июл 28
(1)
►
июл 24
(1)
►
июл 22
(1)
►
июл 21
(2)
►
июл 20
(2)
►
июл 18
(4)
►
июл 15
(3)
►
июл 10
(1)
►
июл 07
(1)
►
июл 06
(3)
►
июл 05
(1)
►
июл 04
(2)
►
июл 01
(1)
-
►
июня
(11)
►
июн 27
(1)
►
июн 26
(2)
►
июн 19
(2)
►
июн 16
(1)
►
июн 13
(1)
►
июн 06
(2)
►
июн 05
(1)
►
июн 03
(1)
-
►
мая
(22)
►
мая 31
(5)
►
мая 27
(2)
►
мая 26
(1)
►
мая 24
(2)
►
мая 22
(3)
►
мая 21
(2)
►
мая 16
(1)
►
мая 15
(1)
►
мая 14
(1)
►
мая 09
(2)
►
мая 04
(1)
►
мая 01
(1)
-
►
апреля
(9)
►
апр 23
(2)
►
апр 16
(1)
►
апр 13
(1)
►
апр 09
(1)
►
апр 04
(1)
►
апр 02
(3)
-
►
марта
(25)
►
мар 26
(1)
►
мар 22
(1)
►
мар 21
(3)
►
мар 20
(5)
►
мар 19
(3)
►
мар 17
(1)
►
мар 12
(1)
►
мар 09
(1)
►
мар 08
(1)
►
мар 07
(2)
►
мар 06
(3)
►
мар 05
(3)
-
►
февраля
(10)
►
фев 28
(1)
►
фев 24
(1)
►
фев 22
(1)
►
фев 20
(1)
►
фев 10
(1)
►
фев 06
(2)
►
фев 02
(3)
-
►
января
(10)
►
янв 30
(1)
►
янв 26
(1)
►
янв 24
(1)
►
янв 20
(1)
►
янв 19
(4)
►
янв 09
(1)
►
янв 06
(1)
-
-
►
2015
(125)
-
►
декабря
(16)
►
дек 30
(4)
►
дек 24
(1)
►
дек 21
(1)
►
дек 20
(5)
►
дек 13
(3)
►
дек 05
(1)
►
дек 04
(1)
-
►
ноября
(35)
►
ноя 27
(1)
►
ноя 25
(1)
►
ноя 22
(3)
►
ноя 21
(7)
►
ноя 19
(1)
►
ноя 18
(1)
►
ноя 17
(2)
►
ноя 16
(3)
►
ноя 15
(3)
►
ноя 14
(6)
►
ноя 11
(2)
►
ноя 09
(3)
►
ноя 06
(2)
-
►
октября
(8)
►
окт 31
(1)
►
окт 23
(3)
►
окт 22
(3)
►
окт 08
(1)
-
►
сентября
(5)
►
сен 29
(1)
►
сен 28
(1)
►
сен 18
(1)
►
сен 17
(1)
►
сен 11
(1)
-
►
августа
(10)
►
авг 21
(1)
►
авг 20
(5)
►
авг 18
(1)
►
авг 16
(1)
►
авг 07
(2)
-
►
июля
(4)
►
июл 31
(1)
►
июл 10
(1)
►
июл 06
(1)
►
июл 01
(1)
-
►
июня
(9)
►
июн 30
(1)
►
июн 26
(1)
►
июн 25
(1)
►
июн 22
(1)
►
июн 19
(1)
►
июн 18
(1)
►
июн 13
(1)
►
июн 09
(1)
►
июн 01
(1)
-
►
мая
(11)
►
мая 27
(1)
►
мая 25
(1)
►
мая 23
(2)
►
мая 20
(1)
►
мая 17
(1)
►
мая 16
(2)
►
мая 11
(1)
►
мая 05
(1)
►
мая 04
(1)
-
►
апреля
(5)
►
апр 29
(1)
►
апр 19
(2)
►
апр 16
(1)
►
апр 06
(1)
-
►
марта
(4)
►
мар 26
(2)
►
мар 23
(1)
►
мар 10
(1)
-
►
февраля
(6)
►
фев 28
(1)
►
фев 22
(1)
►
фев 14
(1)
►
фев 10
(2)
►
фев 01
(1)
-
►
января
(12)
►
янв 17
(1)
►
янв 13
(2)
►
янв 12
(1)
►
янв 09
(1)
►
янв 06
(2)
►
янв 05
(1)
►
янв 04
(1)
►
янв 03
(2)
►
янв 01
(1)
-
-
▼
2014
(232)
-
►
декабря
(13)
►
дек 31
(1)
►
дек 27
(1)
►
дек 26
(1)
►
дек 23
(1)
►
дек 22
(1)
►
дек 20
(1)
►
дек 19
(1)
►
дек 14
(2)
►
дек 13
(1)
►
дек 06
(1)
►
дек 01
(2)
-
►
ноября
(5)
►
ноя 30
(3)
►
ноя 19
(1)
►
ноя 03
(1)
-
►
октября
(1)
►
окт 16
(1)
-
►
сентября
(1)
►
сен 21
(1)
-
►
августа
(5)
►
авг 19
(1)
►
авг 11
(1)
►
авг 08
(3)
-
►
июня
(15)
►
июн 30
(1)
►
июн 27
(1)
►
июн 24
(3)
►
июн 22
(2)
►
июн 21
(3)
►
июн 05
(2)
►
июн 04
(1)
►
июн 03
(2)
-
►
мая
(2)
►
мая 26
(1)
►
мая 20
(1)
-
►
апреля
(5)
►
апр 17
(2)
►
апр 13
(1)
►
апр 12
(1)
►
апр 02
(1)
-
►
марта
(3)
►
мар 10
(2)
►
мар 03
(1)
-
►
февраля
(10)
►
фев 19
(1)
►
фев 04
(8)
►
фев 01
(1)
-
▼
января
(172)
►
янв 26
(20)
-
▼
янв 25
(16)
►
янв 20
(2)
►
янв 19
(30)
►
янв 18
(10)
►
янв 17
(41)
►
янв 10
(13)
►
янв 06
(40)
-
-
Справочники
|
|
|||||
|
Цоколевка широко распространенных транзисторов и цветовая и кодовая маркировка транзисторов.
Цветовая и кодовая маркировка транзисторов В цветовой и кодовой маркировке транзисторов нет единых стандартов. Каждый завод, который производит транзисторы, принимает свои цветовые и кодовые обозначения. Вы можете встретить транзисторы одного типа и группы, которые изготовлены разными заводами и маркируются по-разному, или разные транзисторы, которые маркируются одинаково. В этом случае их можно отличить только по некоторым дополнительным признакам, таким как длина выводов коллектора и эмиттера или окраска торцевой (противоположной выводам) поверхности транзистора. Табл. 8.13. Цветовая и кодовая маркировка транзисторов в корпусе КТ-26.
Цветовая маркировка транзисторов осуществляется двумя точками. Тип транзистора обозначается на боковой поверхности, а маркировка группы на торцевой (рис. 8.2). Кодовая маркировка наносится на боковую поверхность транзистора (рис. 8.2). Тип транзистора обозначается кодовым знаком (табл. 8.13), а группа — соответствующей буквой. Дата изготовления в соответствии с ГОСТ 26486-82 кодируется двумя буквами или буквой и цифрой (табл. 8.14). Первая буква обозначает год выпуска, а следующая за ней цифра или буква — месяц. Кодированное обозначение даты изготовления применяется не только для транзисторов, но и для других радиоэлементов. На рис. 8.3 приведены примеры кодовой и цветовой маркировки транзисторов в корпусе КТ-26. Транзисторы в корпусе КТ-27 могут маркироваться или буквенно — цифровым кодом (табл. 8.16 и рнс. 8.4) или кодом, состоящим из геометрических фигур (рис. 8.4).
Транзисторы в корпусе КТ-27 дополнительно маркируются окрашиванием торца корпуса, противоположного выводам: КТ814 — серо — бежевый; КТ815 — серый нлн снренево — фиолетовый; КТ816 — розово — красный; КТ817 — серо — зелёный; КТ683 — фиолетовый; КТ9115 — голубой. Транзисторы КТ814Б, КТ815Б, КТ816Б и КТ817Б иногда маркируются только окрашиванием торцевой поверхности без нанесения буквенно — цифрового кода. Примеры маркировки транзисторов в корпусе КТ-13 приведены на рис. 8.6. Буква группы у транзисторов КТ315 наносится сбоку поверхности, а КТ361 — посередине. Тип транзисторов КПЗОЗ и КП307 в корпусе КТ-1-12 маркируются соответственно цифрами 3 и 7, группа — соответствующей буквой. Транзисторы КП327А маркируются одной белой точкой, а КП327Б — двумя (рис. 8.3).
Кизлюк А.И. Ключевые теги: Кизлюк |
|||||
|
|||||
|
|||||
Зарубежные прототипы
- КТ815Б — BD135
- КТ815В — BD137
- КТ815Г — BD139
14 thoughts on “ КТ815 параметры ”
Мощным данный транзистор назвать нельзя, не смотря на 8-ку в маркировке. Он ближе к средней мощности, а в мощных схемах используется как предварительный для 819-х и выше
Как основной недостаток, я бы выделил разброс коэффициента усиления, а в некоторых схемах это важно. Почему то не приведена граничная частота, а она тоже не очень высокая
Одним словом — обычный, среднепараметризованный транзистор для бытового использования. Да, еще там начальная нелинейность подзатянута, не для всех классов усиления хороши.
Граничная частота КТ815 для схемы с общим эмиттером составляет 3 МГц. p. s. Как и всех отечественных «чисто гражданских» транзисторов разброс параметров КТ815 очень большой.
Предполагаю, что гражданскими транзисторами «КТ» являлась отбраковка военных транзисторов «2Т». Протестировали кристаллы, те что получше — в металл, похуже в пластик. Именно из-за такого разброса на заводах была даже такая профессия «регулировщик».
На алиэкспрессе можно и на перемаркированные детали попасть. Я покупаю только если есть положительные отзывы. Думаю цены на BD139 и BD140 такие потому что раритет. Если в схеме нужны биполярные на небольшую мощность, я ставлю что-то из серии BCP51 — BCP56. И в Китае делают хорошую продукцию, но только под контролем американских, европейский, японских или южнокорейских фирм
Контролировать работу необходимо, причем не только китайских, но и всех узко… вы понимаете. А делать это сейчас очень и очень несложно, не выходя из, скажем AMD-шного офиса, находящегося в Германии почему-то. Все линии автоматизированы, все данные поступают на сервер и могут контролироваться в реальном режиме времени из любой точки мира. К нему-же и видео наблюдение подстегнуто. Смотришь, пошел курить опий, берешь микрофон и, на доступном японамамском, вежливо просишь вернуться назад. Загранкомандировки технологам оплачивать не нужно.
Возможно, что и перемаркировка. Но, когда только сделал характериограф, из любопытства тыкал в него все что под руку попадалось, в том числе и транзисторы с распая корейской аудио-видео аппаратуры. Транзисторы из одного раскуроченного музыкального центра LG имеют близкие параметры, а те же транзисторы из другого МЦ сделанного годом-двумя раньше отличаются от них как небо и земля. Транзисторы из одной партии похожи друг на друга, а вот когда они из разных партий, тут уже возможны варианты…
Старый, добрый КТ815, именно на нём делал свои первые самоделки, они встречались практически во всей советской аппаратуре. Даже сейчас, если порыться в хламе, штук 10-15 выпаять можно.
Транзистор удобен в практике. Их много почти у каждого в загашнике. Относительно не большой, и мощный, не дорогой. Разной проводимости КТ814 (p-n-p) и КТ815 (n-p-n).
По характеристикам указана предельная температура 150 °C, но на практике сталкивался с выходом из строя в блоках питания КТ815 уже при температуре близкой к 100 °C, возникала холостая проводимость между К-Э. При перегревах выходных каскадов на КТ815 и КТ814 в УМЗЧ иногда происходили необратимые изменения ВАХ, но усилитель продолжал дальше работать с незначительными искажениями. Часто использовал такие транзисторы в схемах стабилизации частоты вращения моторчиков на старых магнитолах, и в коммутации к радиоуправляемым моделям.
Маркировка
Цифры “13001” на корпусе дают общее представление об этом полупроводниковом устройстве. Многие производители маркируют так свои изделия из-за отсутствия места на корпусе ТО-92, не указывая при этом префикс в начале. В статье приведены технические характеристики устройств малоизвестных в России производителей DGNJDZ, Semtech Electronics, YFWDIODE. Указанные производители в своих даташитах не указывают дополнительных символов маркировки. Без дополнительных обозначений маркирует свой транзистор TS13001 тайваньская компания TSMC. Первые две литеры “TS” являются аббревиатурой первых двух слов в полном названии компании Taiwan Semiconductor Manufacturing Company. В тоже время, на рыке достаточно широко представлены транзисторы mje13001, которые тоже промаркированы цифрами 13001. SHENZHEN JTD ELECTRONICS и многие другие производители применяют s13001 s8d при маркировке своих девайсов. Встречаются и другие префиксы, не рассмотренные в статье. Многие продавцы не заморачиваясь с маркировкой в наименовании товара, указывают все возможные его типы вместе с датой производства.
Проверка КТ815
Не всегда покупаемые элементы оказываются в рабочем состоянии. Пусть бракованные элементы попадаются не так часто, но любой радиолюбитель или просто покупатель обязан знать, как проверить такой прибор.
Во-первых
, проверить работоспособность КТ815 можно специальным пробником, но рассмотрим проверку обычным мультиметром , так как предыдущий прибор есть далеко не у всех.
Для проверки при помощи мультиметра, прибор нужно перевести в режим прозвонки. Сначала прикладываем отрицательный щуп к базе, а положительный к коллектору. На дисплее должно отобразиться значение от 500 до 800 мв. Затем меняем щупы, поставив на базу положительный, а на эмиттер отрицательный. Значения должны примерно равны прошлым.
Затем нужно проверить обратное падение напряжение
. Для этого поставим сначала отрицательный щуп на базу, а положительный на коллектор. Должны получится единица. В случае с замером на базе и эмиттере, произойдёт то же самое.
Т ранзисторы П213
— германиевые, мощные, низкочастотные, структуры — p-n-p. Корпус металло-стекляный. Маркировка буквенно — цифровая, сверху корпуса. На рисунке ниже — цоколевка П213.
Транзистор КТ829 — DataSheet
|
Цоколевка транзистора КТ829 |
|
Описание
Транзисторы кремниевые мезапланарные составные универсальные низкочастотные мощные. Предназначены для работы в усилителях низкой частоты, ключевых схемах. Выпускаются в пластмассовом корпусе с жесткими выводами. Обозначение типа приводится на корпусе. Масса транзистора не более 2 г.
| Параметр | Обозначение | Маркировка | Условия | Значение |
Ед. изм. |
| Аналог | КТ829А | BD267B, TIP122, BD901, BDW23C *2, BDW73C, BDW63C *2, 2SD1128 *2, 2SD1740 *2, BD267A *2 | |||
| КТ829Б |
BD267A, BD263, TIP121,
BD899A, BD899, BDW23B *2, BDW73B *2, BD267 *2 |
||||
| КТ829В |
BD331, TIP120, BD897A,
BD897, BDW23A, ТIР120 *2 |
||||
| КТ829Г |
BD665, BD675, BD895A,
BD895, BDW23, BDW73, BDW63 *2, BD695 *1 |
||||
| Структура | — | n-p-n | |||
| Максимально допустимая постоянная рассеиваемая мощность коллектора | PK max,P*K, τ max,P**K, и max | КТ829А | — | 60* | Вт |
| КТ829Б | — | 60* | |||
| КТ829В | — | 60* |
КТ829Г
—
60*
КТ829АТ
—
50
КТ829АП
—
50
КТ829АМ
—
60
Граничная частота коэффициента передачи тока транзистора для схемы с общим эмиттером
fгр, f*h31б, f**h31э, f***max
КТ829А
—
≥4
МГц
КТ829Б
—
≥4
КТ829В
—
≥4
КТ829Г
—
≥4
КТ829АТ
—
≥4
КТ829АП
—
≥4
КТ829АМ
—
≥4
Пробивное напряжение коллектор-база при заданном обратном токе коллектора и разомкнутой цепи эмиттера
UКБО проб., U*КЭR проб., U**КЭО проб.
КТ829А
1к
100*
В
КТ829Б
1к
80*
КТ829В
1к
60*
КТ829Г
1к
45*
КТ829АТ
—
100
КТ829АП
—
160
КТ829АМ
—
240
Пробивное напряжение эмиттер-база при заданном обратном токе эмиттера и разомкнутой цепи коллектора
UЭБО проб.,
КТ829А
—
5
В
КТ829Б
—
5
КТ829В
—
5
КТ829Г
—
5
КТ829АТ
—
5
КТ829АП
—
5
КТ829АМ
—
5
Максимально допустимый постоянный ток коллектора
IK max, I*К , и max
КТ829А
—
8(12*)
А
КТ829Б
—
8(12*)
КТ829В
—
8(12*)
КТ829Г
—
8(12*)
КТ829АТ
—
5
КТ829АП
—
5
КТ829АМ
—
8
Обратный ток коллектора — ток через коллекторный переход при заданном обратном напряжении коллектор-база и разомкнутом выводе эмиттера
IКБО, I*КЭR, I**КЭO
КТ829А
100 В
≤1.5*
мА
КТ829Б
80 В
≤1.5*
КТ829В
60 В
≤1.5*
КТ829Г
60 В
≤1.5*
КТ829АТ
—
—
КТ829АП
—
—
КТ829АМ
—
—
Статический коэффициент передачи тока транзистора в режиме малого сигнала для схем с общим эмиттером
h21э, h*21Э
КТ829А
3 В; 3 А
≥750*
КТ829Б
3 В; 3 А
≥750*
КТ829В
3 В; 3 А
≥750*
КТ829Г
3 В; 3 А
≥750*
КТ829АТ
—
≥1000
КТ829АП
—
≥700
КТ829АМ
—
400…3000
Емкость коллекторного перехода
cк, с*12э
КТ829А
—
≤120
пФ
КТ829Б
—
≤120
КТ829В
—
≤120
КТ829Г
—
≤120
КТ829АТ
—
—
КТ829АП
—
—
КТ829АМ
—
—
Сопротивление насыщения между коллектором и эмиттером
rКЭ нас, r*БЭ нас, К**у.р.
КТ829А
—
≤0.57
Ом, дБ
КТ829Б
—
≤0.57
КТ829В
—
≤0.57
КТ829Г
—
≤0.57
КТ829АТ
—
≤0.3
КТ829АП
—
≤0.25
КТ829АМ
—
≤0.66
Коэффициент шума транзистора
Кш, r*b, P**вых
КТ829А
—
—
Дб, Ом, Вт
КТ829Б
—
—
КТ829В
—
—
КТ829Г
—
—
КТ829АТ
—
—
КТ829АП
—
—
КТ829АМ
—
—
Постоянная времени цепи обратной связи на высокой частоте
τк, t*рас, t**выкл, t***пк(нс)
КТ829А
—
—
пс
КТ829Б
—
—
КТ829В
—
—
КТ829Г
—
—
КТ829АТ
—
—
КТ829АП
—
—
КТ829АМ
—
—
Описание значений со звездочками(*,**,***) смотрите в таблице параметров биполярных транзисторов.
*1 — аналог по электрическим параметрам, тип корпуса отличается.
*2 — функциональная замена, тип корпуса аналогичен.
*3 — функциональная замена, тип корпуса отличается.
|
|
Зависимость статического коэффициента передачи тока от тока коллектора |
|
Зависимость напряжения насыщения коллектор — эмиттер от Iк/Iб |
|
|
Зависимость максимально допустимой мощности рассеивания коллектора от температуры корпуса |
Область максимальных режимов |
Если вы нашли ошибку, пожалуйста, выделите фрагмент текста и нажмите Ctrl+Enter.















Цоколевка транзистора КТ829(Т-М)
Входные характеристики
Зависимость максимально допустимого напряжения коллектор-эмиттер от сопротивления база-эмиттер








